
1.產品介紹
本型放電線圈為環氧樹脂真空澆注單相戶內半封閉型結構,適用于額定頻率50Hz,額定電壓10kV及以下的電力系統中,與高壓并聯電容器組并聯連接,當電容器組與系統斷開后,能在5s內將電容器組上的剩余電壓降至安全電壓。
在正常運行中,二次繞組可以做電壓指示,用戶如有特殊要求時,亦可帶剩余電壓繞組,起到斷電保護作用。
FDEG8-□-□系列戶內、干式放電線圈帶保護繞組(星形/三角/開口三角連續)技術參數
|
產品型號 |
—次端電 壓(V) |
二次端電 壓(V) |
乘除繞 組電壓 (V) |
二次準確等級及輸出 容量(VA) |
乘除電 壓繞組 容量 (VA) |
并聯電容 器組容量 (Mvar) |
||
|
0.2 |
0.5 |
1 |
||||||
|
FDEG8-6.3/V3-1. 7-1 |
6.3/V3 |
100 |
100/3 |
30 |
50 |
100 |
100 |
1.7 |
|
FDEG8-6.3/V3-2.5-1 |
6.3/V3 |
100 |
100/3 |
30 |
50 |
100 |
100 |
2.5 |
|
FDEG8-6.3/V3-3.4-1 |
6.3/V3 |
100 |
100/3 |
30 |
50 |
100 |
100 |
3.4 |
|
FDEG8-6.6/V3-1.7-1 |
6.6/V3 |
100 |
100/3 |
30 |
50 |
100 |
100 |
1.7 |
|
FDEG8-6.6/V3-2.5-1 |
6.6/V3 |
100 |
100/3 |
30 |
50 |
100 |
100 |
2.5 |
|
FDEG8-6.6/V3-3.4-1 |
6.6/V3 |
100 |
100/3 |
30 |
50 |
100 |
100 |
3.4 |
|
FDEG8-10/V3-1.7-1 |
10/V3 |
100 |
100/3 |
30 |
50 |
100 |
100 |
1.7 |
|
FDEG8-10/V3-2.5-1 |
10/V3 |
100 |
100/3 |
30 |
50 |
100 |
100 |
2.5 |
|
FDEG8-10/V3-3.4-1 |
10/V3 |
100 |
100/3 |
30 |
50 |
100 |
100 |
3.4 |
|
FDEG8-11/V3-1.7-1 |
11/V3 |
100 |
100/3 |
30 |
50 |
100 |
100 |
1.7 |
|
FDEG8-11/V3-2.5-1 |
11/V3 |
100 |
100/3 |
30 |
50 |
100 |
100 |
2.5 |
|
FDEG8-11/V3-3.4-1 |
11/V3 |
100 |
100/3 |
30 |
50 |
100 |
100 |
3.4 |
2.選型說明
3.使用環境條件
■.安裝位置:戶內和戶外,環境溫度:-25℃~+45℃;
■.海拔高度:不超過1000m;
■.抗震水平:地震烈度8度作用下不損壞(安裝場所無劇烈的機械震動);
■.安裝地點:無有害氣體,蒸汽及無導電性或爆炸性塵埃;
■.相對濕度:月平均相對濕度不超過90%,日平均不超過95%;
■.最大風速:35m/s.。
4.技術參數
|
序號 |
系統額定電壓(kV) |
6?10 |
|
1 |
額定一次電壓(kV) |
6.6/3、7.2/3、11/3、12/3、6/3+6/3等 |
|
2 |
額定二次電壓(kV) |
100、100/3、100+100/ 3 |
|
3 |
額定負荷(VA)/準確級 |
50/0.5、100/1、100/3P |
|
4 |
配套電容器容量(Mvar) |
0.5?3.4 |
|
5 |
放電性能 |
在額定電壓下,當電容器組斷電后5秒內,其端子間的殘余電壓降壓至50V及以下 |
|
6 |
絕緣水平(kV) |
12/42/75 |
|
7 |
局部放電(pC) |
干式在20,油浸式在5 |
|
8 |
匝間耐受電壓 |
在3倍額定頻率,2. 15倍額定電壓,歷時40s |
|
9 |
繞組溫升(K) |
<50 |
|
10 |
額定頻率 |
50Hz |
|
11 |
相數 |
單相 |
|
12 |
接線方式 |
減極性 |
5.結構特點
■.6kV~10kV干式放電線圈;
■.產品采用優質絕緣介質及先進真空澆注工藝,確保各項電氣性能指標;
■.設計參數合理,準確度高,伏安特性優良(1.5倍額定電壓范圍內,鐵芯未見明顯飽和的趨勢,保證線形度);
■.結構簡單,安裝使用非常方便,維護簡單;
■.采用進口環氧樹脂真空澆注為主絕緣,絕緣性能優良,機械強度高,并實現了無油化,完全免除了油滲漏、污染環境和易
燃易爆等特點。
■.設計參數合理,準確度高(在0.9-1.3倍額定電壓下和0~100VA的二次負荷下保證準確級),性能優良,結構全理,造型美
觀;
■.各個部位密封性能好,在預期壽命期內不需檢修或不更換部件,并具有防爆功能,屬免維修型產品。
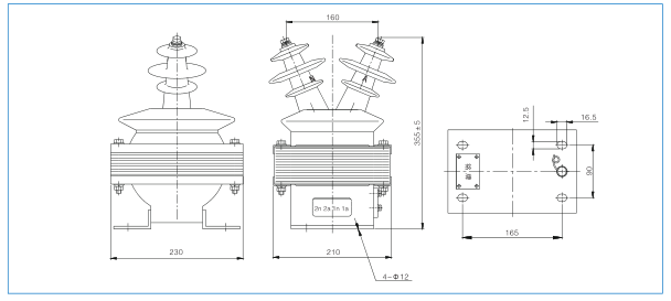
6、安裝尺寸

無功補償放電線圈廠家http://www.c1121.cn

魯公網安備 37010502001192號