
一、產品概述
目前,電力電子設備的應用日趨普遍,所有這些非線性用電設備所產生的諧波,它可以導
致電能浪費、降低系統容量、加速設備老化、降低生產率、配電系統本身或連接在該系統上的
其他設備發生故障。
目前,諧波治理的方式主要包括有源電力濾波、無源電力濾波等。
在諧波嚴重的場合,調諧式濾波電容器是對諧波的解決方案之一。我公司開發的HTX系
列抗諧型智能電力電容器系列產品,采用微電子軟硬件技術、微型傳感器技術、微型網絡技術
和電器制造技術等最新技術成果,將其智能化,實現低壓無功補償功能和使其能夠可靠工作、
使其方便的零投切、保護、測量、信號、聯機等系列功能,是低壓無功自動補償濾波技術的重
大突破,主要應用于諧波十分嚴重場合的無功補償,能夠可靠運行,不會產生諧振,對諧波無
放大作用,并在一定程度上有吸收消除諧波的功能。其中串接7%電抗器的產品使用于主要諧
波為5次的電氣環境,串接14%電抗器的產品使用于主要諧波為3次的電氣環境。
產品主要適用于化工、建材、造紙、紡織、煤炭、電力、電信、鋁業、船運港口、煙草、
釀酒、汽車制造、精密電子、精密機械等工業領域。
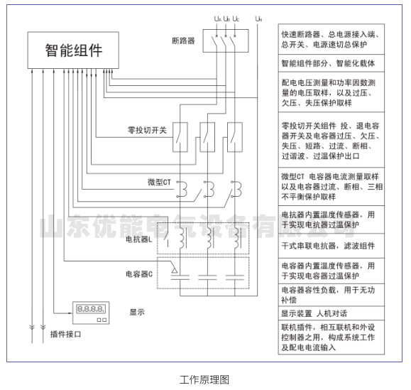
二、產品工作原理
產品由智能組件,零投切開關,電流取樣,溫度取樣,干式串聯電抗器和低壓濾波電力電容器等元部件組成。
下圖是產品系列中分相補償方式產品的工作原理框圖。


三、產品主要功能與特點
1、產品主要有以下幾種功能
■.抑制諧波功能:有效抑制高次諧波和涌流。
■.同步投切功能:響應時間快,可實現動態跟蹤,并準確在電流電壓為零時投切,受諧波影響小。
■.分相補償功能:使三相無功不平衡得到良好補償。
■.測量功能:配電電壓、電流、無功功率、功率因數測量、CT相位與變比自動測量、校正。
■.保護功能:過流、過壓、欠壓、過溫、斷相、三相不平衡保護,當電容器溫度超過65度,整機退運,提高使用壽命。
■.信號功能:電容器的投切狀態,過欠補狀態、過欠壓狀態信號;保護動作類型、自診斷故障類型信號。
■.通信功能:電容器和控制器之間采用RS-485通信聯結,便于采樣數據上傳及與外設監控終端進行信息交換,構
.....成系統工作。
■.智能網絡控制:可自動檢測及跟蹤系統無功的變化,自動投切電容器組。
■.故障自診斷功能,電容器智能控制元件能對本體各相運行參數進行自診斷,一旦出現自檢故障,整機快速響應,
.....退出運行。
2、 產品的主要特點
■.采用高品質工業型低壓濾波電力電容器,安全性高;
■.采用同步開關技術,技術先進,性能穩定可靠;
■.采用閉環電路,磁路不飽和,無能源消耗,無電磁輻射;
■.采用特殊技術與工藝,能有效抑制高次諧波和涌流,抑制3~13次以上諧波效果明顯;
■.模塊化結構,組合靈活,擴容方便,安裝簡單,便于維護;
■.智能網絡,485通訊接口可以接入后臺計算機,進行配電綜合管理;
■.采用分散控制模式,100萬次無故障投切,高可靠性;
■.界面中文顯示,操作簡單,維護方便,利于現場故障查找;
■.內加SH防暴器及溫控裝置,提高嚴重諧波場合下運行可靠度;
■.節能效果顯著,有效提高功率因數,降低電能消耗,改善電能質量。
四、產品在成套柜中的應用
1、低壓成套柜中的應用
產品在柜體中積木式組裝,如下圖所示,具有電容器零投切等優異功能以及結構簡潔、同樣柜體可裝更多電容量、生產簡易、容量可調整性好、運行維護方便等特點。


五、產品型號
1、抗諧型低壓智能電力電容器產品型號如下圖,表明產品種類

示例一:HTXG-40/480-7,表示三相共補抗諧波智能電力電容器,容量為40kvar,電容額定電壓為480V,內部串7%電抗器。
示例二:HTXF-20/280-7,表示分相補償抗諧波智能電力電容器,容量為20kvar,電容器額定電壓為280V,內部串7%
電抗器。
額定電壓一般三相補償方式取480V或525V,分相補償方式取280V或300V,可靠性較高。
2、 產品型號表
■.常用型號表(三相480V或525V;分相280V或300V:串7%或14%電抗器)

六、產品的技術指標
1、 環境條件
■.環境溫度:-40~40℃
■.相對濕度:40℃,20~90%
■.海拔高度:≤2000m
2、電源條件
■.額定電壓:~220V/380V
■.電壓偏差:±20%
■.工頻頻率:48.5~51.5Hz
■.功率消耗:<0.5W(切除電容器時)
3、 電氣安全
電氣間隙與爬電距離、絕緣強度、安全防護、短路強度、采用與控制電路防護均符合中華人民共和國電力行業標準
DL/T842—2003《壓低并聯電容器裝置使用條件》中對應條款要求。
4、 測量誤差
■..電壓:≤0.5%(在80~120%額定電壓范圍內)
補償方式 產品類別 容量(Kvar) 規格型號
三相補償
抗諧波智
能電容器
40
H TXG -□□/□□□-□
30
20
10
分相補償
抗諧波智
能電容器
20
H TXF-□□/□□□-□
10
產品型號圖
www.c1121.cn
16
■.電流:≤1%
■.溫度:±1℃
5、 保護誤差
■.電壓:≤0.5%(在80~120%額定電壓范圍內)
■.電流:≤1%
■.溫度:±1℃
6、無功補償參數
■.電容器投切間隔:>10S
■.無功容量:單臺≤40kvar(三相)、≤20kvar(分相);
■.聯機:≤32臺
7、 可靠性參數
■.控制準確率:100%
■.控制容許次數:100萬次
■.電容器容量運行時間衰減率:≤1%/年
■.電容器容量投切衰減率:≤0.1%/萬次
■.年故障率:≤0.1%
8、 機械參數及安裝
■.重量:35kg(40kvar)
■.固定安裝尺寸見圖
■.注:規格不同產品的質量不同,外形尺寸、固定孔間距、固定孔尺寸相同。

七、普通產品設計應用方案
1、 產品電氣符號
根據GB5465.1、GB5465.2和GB5094、GB7159確定HTX系抗諧型低壓智能電力電容器在一次系統圖中的圖形符號如下圖所示,文字符號為“CG”和“CF”。


4、柜體內典型電氣連接原理圖
■.抗諧波電容器在電氣柜內連接方式(三相補償帶HTX-8CKZI智能低壓無功控制器)
5、 產品常用配置表
■.混合補償在成套柜中的應用方案
對于無功功率中補償方式、補償容量一般選為變壓器的30%~40%混合補償,分相補償一般占總容量的10%~30%不等,
三相平衡則不需要配分相補償。
■.容量大于400kvar電容器需裝散熱通風裝置。
■.其他應用方案,請電話聯系,我們設計工程師竭誠為您提供最優方案。
八、HTX-8CK系列智能低壓無功控制器
HTX-8CK系列無功補償控制器是根據國家相關技術標準、規程和用戶的實際要求,采用專用的電力參數采集芯片和32位
ARM處理器設計開發的新一代低壓無功補償控制器。產品外形美觀大方,安裝使用方便。通過數碼管顯示和按鍵實現人機對話。
通過485通訊與HTX系列智能集成電力電容器連接。控制物理量為電壓、電流、功率因素和無功功率復合型。采用新型的無功趨
勢潮流判斷算法,特別適用于功率因數變動大的場合。動作次數少,控制精度高。

2、功能特點
■.通過交流采樣得到電壓、電流、功率、功率因數等數據,并計算出無功缺額。可采集各相電壓、電流2到19次諧波含量計
算出總的電壓和電流的諧波畸變率。
■.動態顯示配電的各個參數值,參數設置簡單快捷,設置的參數斷電不丟失。
■.自動檢測智能電容器數量及容量等信息,并按電網無功參數控制智能電容器投切。
■.具有過壓、欠壓、欠流、過溫、電壓電流諧波保護,當電網參數超過各設定限制時,控制器快速切除已投入的電容器,并
閉鎖輸出,保護電容器安全運行,延長其使用壽命。
■.采用電壓、電流,功率因數,無功等綜合計算,電壓回差參與控制判斷,使補償更精確,防止投切振蕩。
■.在動作延時時間內多點采樣上述判據值,根據各點的值來進行無功趨勢潮流判斷,避免了常規控制器的動作點單點采樣所
造成的判斷失常,在功率因數變動大的場合,可以準確判斷所需補償的無功功率及補償方向(投或是切)。
■.具有手動/自動切換功能。置自動時,根據電壓、負荷、功率因數和無功缺額綜合因素控制電容器的投入或切除;置手動
時,能手動操作電容器的投入或切除,便于出廠調試及快速投切電容。在手動或自動狀態下均可實現模擬投切。
■.投切原則:相同容量的電容器按動作次數投切,動作次數最少的先動作,不同容量的電容器按無功缺額動作.
3、 使用環境
■.相對濕度:20%~90%;
■.環境溫度:—25~70℃;
■.海拔高度:≤2000m;
■.無易燃的介質存在,無導電塵埃及腐蝕性氣體存在。
4、技術參數
1).測量精度:
■.電..壓:..≤±0.5%(在80%~120%額定電壓范圍內);.
■.電..流:..≤±1.0%(在50%~100%額定電流范圍內);
■.功率因數:≤±1.5%..
■.無功功率:≤±2%
■.溫..度:≤1℃
■.電源條件:
工作電壓:220VAC
電壓偏差:±20%
.....額定頻率:50Hz±5%
.....功率消耗:<5W
■.組網臺數:分補≤12臺
......................總臺數≤24臺
2).輸出方式:通訊式控制輸出,控制本公司智能電容器。
5、機械安裝和電氣接線
■.機械安裝:在屏柜上開一151×151mm的方孔,將控制器從屏前推入方孔內,把配給的緊固件插入安裝槽中,上緊螺絲
即可把控制器固定在屏上。
■.電氣接線:電氣接線按控制器殼上電氣接線原理圖及輸出端子定義準確接線。

說明:
1、通訊接口(13.14)應接至柜內的智能電容器上的端子1(485B),2(485A)并接即可;電壓采樣(1.2.3.4)取自電容柜開關
出線端,電流采樣(5.6.8.9.11.12)應接進線柜的一次電流互感器輸出端;
2、連接電纜要求:
電壓回路:額定電壓1KV,1.5平方毫米銅導線
電流回路:額定電壓1KV,2.5平方毫米銅導線
485接口:線徑0.5~0.75平方毫米銅導線
3、開機前的檢查
(1).開機前必須仔細檢查接線是否正確,在確認接線無誤后,將柜門關好。
(2).合上刀開關,數碼管等有顯示內容,并且工作指示燈亮且每間隔1-2秒左右閃爍一次,表明控制器工作正常。
控制器接線示意圖 正視圖 側視圖
www.c1121.cn
20
8.5.3.分相補償控制器與智能電容器接線圖



魯公網安備 37010502001192號